Amplifier IP

All offers in Amplifier IP
Filter
Filter

Login required.

Sign in

Login required.

Sign in

Login required.

Sign in

Compare 2 Amplifier IP from 2 vendors (1 - 2)
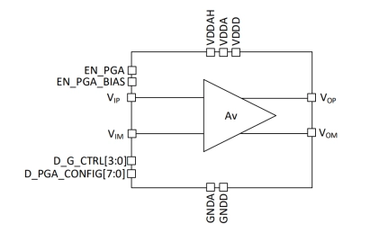
  • Low-power low-noise programmable gain amplifier on 12nm
    • The ODT-PGA-200M-12nm (PGA) is a low-power low-noise programmable gain amplifier designed in 12nm CMOS process.
    • The PGA receives a differential voltage and provides voltage gain up to 42dB with a typical 3-dB bandwidth of 200MHz.
    Block Diagram -- Low-power low-noise programmable gain amplifier on 12nm
  • Low-Offset Programmable Gain Amplifier on UMC 55nm
    • This present IP is applied to amplify the input signal with the programmable gain in Standalone/PGA mode or to work as a buffer in Follower mode, which operates in 1.8v~3.6v power supply and 1.2v power supply for control signals.
×
Semiconductor IP