Analog Basics IP

All offers in Analog Basics IP
Filter
Filter

Login required.

Sign in

Login required.

Sign in

Login required.

Sign in

Compare 73 Analog Basics IP from 20 vendors (1 - 10)
  • Voltage Latched Comparator
    • A high-speed voltage clocked comparator with rail- to-rail outputs and no hysteresis.
    • The typical propagation delay is 19ns while applying a differential input signal of 1mV over the offset voltage.
    • The comparator operates with a supply voltage of 3.3V typical (VCC).
    Block Diagram -- Voltage Latched Comparator
  • 13ns High-Speed Comparator with no Hysteresis
    • The TS_CMP_13ns_X8 is a high-speed comparator with no hysteresis and a propagation delay of 13ns while having a differential input signal of 25mV.
    • The comparator consumes current of 350μA.
    • The circuit features an Enable signal turning on/off the comparator.
    Block Diagram -- 13ns High-Speed Comparator with no Hysteresis
  • 39GHz High-Efficiency CMOS Power Amplifier for 5G mmWave Applications
    • 2-stage PAEmax = 45%
    • PA-stage DEmax = 54%
    • Psat = 18.3dBm
    • Gain = 19dB
    • Efficiency maintained at lower supply voltages for added reliability
    Block Diagram -- 39GHz High-Efficiency CMOS Power Amplifier for 5G mmWave Applications
  • 28GHz High-Efficiency CMOS Power Amplifier for 5G mmWave Applications
    • 2-stage PAEmax = 52.3%
    • PA-stage DEmax = 61.5%
    • Psat = 19.02dBm
    Block Diagram -- 28GHz High-Efficiency CMOS Power Amplifier for 5G mmWave Applications
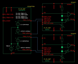
  • Very-low-noise and programmable very-high-gain DC-voltage amplifier with precision offset trimming
    • The TS_VA_LNDC_X8 comprises the main function dcamp and its companion dcamptrim.
    • The dcamp is a very-low-output-noise-level (604µVRMS max) and 1%-precise programmable very-high-gain (32 selectable gains up to 400V/V) DC-voltage amplifier, with an extra differential input for precision offset trimming by the dual 8-bit one’s-complement-coded DAC dcamptrim.
    Block Diagram -- Very-low-noise and programmable very-high-gain DC-voltage amplifier with precision offset trimming
  • Revolutionaly Ultra Low Phase Noise RF Amplifier-LNA IP
    • Revolutionary Ultra Low Phase Noise operation
    • Ultra Low Power Operation
    • RF front end sensitivity enhancement
    Block Diagram -- Revolutionaly Ultra Low Phase Noise RF Amplifier-LNA IP
  • 130 to 940 MHz Power amplifier
    • iHP SGB25V
    • E class PA
    • Adjusted gain (-20..10 dBmW)
    • Build-in voltage regulator
    Block Diagram -- 130 to 940 MHz Power amplifier
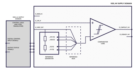
  • Programmable-Threshold Comparator
    • The agileCMP GP Programmable Threshold Comparator features a user-selectable (enable/disable) hysteresis as well as programmable threshold with 10mV step size, a latched output, as well as an active (unlatched) output.
    • With a focus on long battery life, the agileCMP GP can be used to monitor external analog signals and enable wake-up events as is essential in many modern SoCs.
    • The agileCMP GP Programmable Threshold Comparator is ideally suited for interrupt generation in applications such as in IoT, Security, Automotive, AI and general SoCs and ASICs.
    Block Diagram -- Programmable-Threshold Comparator
  • Low Power Comparator
    • The agileCMP_LP is a comparator suitable for use in any low power system. It is designed to provide a flexible range of comparison voltages suitable for many sensor interface designs.
    • The agileCMP_LP consists of a voltage reference generator and comparator set at different threshold levels for multi-level detection and the output is not latched.
    Block Diagram -- Low Power Comparator
  • 3 to 5 GHz power amplifier
    • iHP SiGe BiCMOS 0.13 um
    • E class PA
    • Frequency range 3…5 GHz
    • Built-in voltage regulator
    Block Diagram -- 3 to 5 GHz power amplifier
×
Semiconductor IP