Sensor / Monitor IP

Sensor and Monitor IP cores enable efficient integration of sensor data acquisition and monitoring functions into embedded systems. These IP cores support a wide range of sensors, including temperature, pressure, motion, and environmental sensors, allowing real-time data collection and analysis. With built-in features for signal conditioning, data processing, and communication, Sensor and Monitor IP cores enhance system reliability and accuracy in applications such as IoT, automotive, industrial automation, and healthcare.

All offers in Sensor / Monitor IP
Filter
Filter

Login required.

Sign in

Login required.

Sign in

Login required.

Sign in

Compare 277 Sensor / Monitor IP from 44 vendors (1 - 10)
  • Temperature Sensor (Digital Output)
    • Measurement Range: -20°C to +100°C
    • Uncalibrated Accuracy: ±6°C
    Block Diagram -- Temperature Sensor (Digital Output)
  • Voltage and Temperature Sensor with integrated ADC - GlobalFoundries® 22FDX®
    • Voltage and temperature monitoring
    • 3 single-ended voltage measurement inputs
    • Operating temperature range: -40°C to 150°C
    • Temperature measurement with accuracy up to 1°K ± 1°K change in temperature
    Block Diagram -- Voltage and Temperature Sensor with integrated ADC - GlobalFoundries® 22FDX®
  • Ultra-Low-Power Temperature/Voltage Monitor
    • ± 4C temperature accuracy without trim
    • ± 1C temperature accuracy after single room temperature trim
    • 0.011C temperature resolution
    • Voltage monitor supports both single-ended and differential inputs, with 4:1 input mux
    Block Diagram -- Ultra-Low-Power Temperature/Voltage Monitor
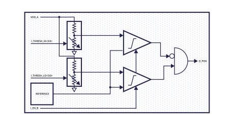
  • Power-OK Monitor
    • The agilePOK is a Power OK monitor that consists of a voltage reference and comparators to set a programmable high and low threshold level for power supply integrity detection.
    • The number of trigger outputs can be customized and each threshold can be adjusted during operation to support DVFS operation.
    • This monitor can be used to detect loss of power or attacks to the power supply.
    Block Diagram -- Power-OK Monitor
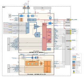
  • Process/Voltage/Temperature Sensor with Self-calibration (Supply voltage 1.2V) - TSMC 3nm N3P
    • 003TSMC_PVT_01 IP library is a unique solution intended to continuously monitor IC status at several on-die locations.
    • It is able to detect manufacturing process deviation, perform voltage, current and die temperature measurement.  
    Block Diagram -- Process/Voltage/Temperature Sensor with Self-calibration (Supply voltage 1.2V)  -  TSMC 3nm N3P
  • In-situ Monitors IP platform for a real time control of Timing critical paths
    • Meerkat is an in-situ Monitors IP platform for a real time control of Timing critical paths, Activity critical paths or User defined critical path in digital electronic device.
    • Meerkat, non-intrusive digital elements based on standard cell libraries, are inserted seamlessly in the design of digital devices with standard EDA tools.
    Block Diagram -- In-situ Monitors IP platform for a real time control of Timing critical paths
  • Ultra‐Low‐Power Process/Voltage/Temperature Monitor on TSMC 16nm
    • The ODT-PVT-ULP-001C-16FFCT is an ultra-low power temperature, voltage and process monitor designed in a 16nm CMOS process.
    • This IP operates over the entire temperature range of -40°C to 150°C.
    • The temperature monitor achieves ±4C temperature accuracy without trim and ±1C temperature accuracy after a single room temperature trim.
    Block Diagram -- Ultra‐Low‐Power   Process/Voltage/Temperature Monitor on TSMC 16nm
  • Ultra‐Low‐Power Process/Voltage/Temperature Monitor on TSMC 7nm FFC
    • The ODT-PVT-ULP-001C-7T is an ultra-low power temperature, voltage and process monitor designed in a 7nm CMOS process.
    • This IP operates over the entire temperature range of -40°C to 150°C.
    • The temperature monitor achieves ±4C temperature accuracy without trim and ±1C temperature accuracy after a single room temperature trim.
    Block Diagram -- Ultra‐Low‐Power   Process/Voltage/Temperature Monitor on TSMC 7nm FFC
  • Ultra-Low-Power Temperature/Voltage Monitor on TSMC 16nm FFC
    • The ODT-TVM-ULP-001C-16FFCT is an ultralow power temperature and voltage monitor designed in a 16nm standard TSMC process.
    • This IP operates over the entire temperature range of - 40°C to 150°C.
    • The temperature monitor achieves ±4C temperature accuracy without trim and ±1C temperature accuracy after a single room temperature trim.
    Block Diagram -- Ultra-Low-Power Temperature/Voltage Monitor on TSMC 16nm FFC
  • Ultra-Low-Power Process/Voltage/Temperature Monitor in 12nm
    • The ODT-PVT-ULP-001C-12nm is an ultra-low power temperature, voltage and process monitor designed in a 12nm CMOS process.
    • This IP operates over the entire temperature range of -40°C to 150°C.
    • The temperature monitor achieves ±4C temperature accuracy without trim and ±1C temperature accuracy after a single room temperature trim.
    Block Diagram -- Ultra-Low-Power Process/Voltage/Temperature Monitor in 12nm
×
Semiconductor IP