NB-IoT IP
Welcome to the ultimate NB-IoT IP hub! Explore our vast directory of NB-IoT IP
All offers in
NB-IoT IP
Filter
Compare
4
NB-IoT IP
from
4
vendors
(1
-
4)
-
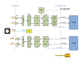
Sub-1GHz (699MHz-960MHz) fully integrated transceiver
- The B40NLL_NBIOT_TRX is a sub-1GHz (699MHz-960MHz) fully integrated transceiver specially designed for Narrow-band IOT applications.
- The device is comprised of RF frontend, Frac-N frequency synthesizer, LO chains, and analog baseband blocks.
- The receive path (RX) has high dynamic range and sensitivity.
-
NB-IoT (LTE Cat NB1) Transceiver
- The NB-IoT (LTE Cat NB1) Transceiver is built to comply with the Release 13 standard from 3GPP. It can also operate in a Release-14-compliant mode.
- Both the transmitter and the receiver offer performances that meets or exceeds the 3GPP specifications with comfortable margin.
-
NB-IoT Based Cellular IoT Platform with GNSS support
- The Ceva-Waves Dragonfly platform is a turnkey platform with optimized, low-power hardware IP and protocol software for implementing narrow-band IoT (NB-IoT) cellular modem SoCs.
- Extensions provide support for GNSS such as GPS and BeiDou and for sensor-fusion applications.
-
NB-IoT IP
- Single supply voltage: 1.1V to 1.8V
- Operating junction temperature: -40ºC to 85ºC
- RF output power: +5dBm