V-by-One IP

Welcome to the ultimate V-by-One IP hub! Explore our vast directory of V-by-One IP cores.

V-by-One® HS is a standard developed by THine Electronics to meet the needs of flat-panel display markets that require higher frame rates and higher resolutions than ever before.

All offers in V-by-One IP
Filter
Filter

Login required.

Sign in

Login required.

Sign in

Login required.

Sign in

Compare 27 V-by-One IP from 7 vendors (1 - 10)
  • V-by-One® HS plus Tx/Rx IP
    • IP core for FPGAs that supports “V-by-One® HS plus Standard”, the next-generation high-speed interface standard technology developed by THine Electronics Inc.
    • V-by-One® HS plus Tx/Rx IP is an IP to enable Altera® FPGAs to send and receive signals compatible with the latest “V-by-One® HS plus Standard”.
    Block Diagram -- V-by-One® HS plus Tx/Rx IP
  • V-by-One® HS Tx IP / V-by-One® HS Rx IP
    • V-by-One® HS IP is an IP to achieve V-by-One HS high-speed video interface technology.
    • V-by-One® HS is a standard for next-generation high-speed interface technology developed by THine Electronics for image and video equipment requiring higher frame rates and higher resolutions.
    Block Diagram -- V-by-One® HS Tx IP / V-by-One® HS Rx IP
  • VBO TX and RX PHY & Controller
    • Innosilicon VBO IP is designed for transmitting or receiving video signals between a video source device and display device, which is fully compliant with VBO1.4 specifications
    • The IP provides both PHY and controller solutions, offering a reliable implementation for VBO interface that can be seamlessly integrated into the SoCs used in multimedia devices
    •  
    Block Diagram -- VBO TX and RX PHY & Controller
  • VBYONE Verification IP
    • Follows VByOne specification as v1.2/1.3/1.4/1.5
    • Support transmitter and Receiver Mode.
    • Supports upto 32 serial lanes.
    • Supports all byte lengths, color depths, and resolutions.
    Block Diagram -- VBYONE Verification IP
  • VBYONE Synthesizable Transactor
    • Follows VByOne specification as 1.2/1.3/1.4/1.5
    • Support transmitter and Receiver Mode
    • Supports upto 32 serial lanes
    • Supports all byte lengths, color depths, and resolutions
    Block Diagram -- VBYONE Synthesizable Transactor
  • V-By-One Transmitter IIP
    • Compliant with VByOne specification 1.2/1.3/1.4.
    • Full VBYONE Transmit functionality.
    • Supports 1 to 8 lanes. If needed, we can support custom lane configuration.
    • Supports all byte lengths.
    Block Diagram -- V-By-One Transmitter IIP
  • V-By-One Receiver IIP
    • Compliant with VByOne specification 1.2/1.3/1.4.
    • Full VBYONE Receive functionality.
    • Supports 1 to 8 lanes. If needed, we can support custom lane configuration.
    • Supports all byte lengths.
    Block Diagram -- V-By-One Receiver IIP
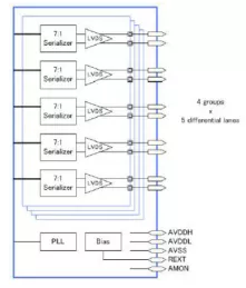
  • V-by-One/LVDS Tx Combo PHY, Silicon Proven in 28HPC+
    • LVDS compliant Tx
    • 4 groups of 4-Data
    • 1-Clock channels Each lane/group can be turned on/off individually Data/Clock can be assigned to any lane within the group
    • Differential polarity can be flip per lane
    Block Diagram -- V-by-One/LVDS Tx Combo PHY, Silicon Proven in 28HPC+
  • V-by-One/LVDS Rx IP, Silicon Proven in GF 22FDX
    • LVDS compliant Rx
    • 4 groups of 4-Data, 1-Clock channels
    • Each lane/group can be turned on/off individually
    • Supports from 168Mbps to 1.5Gbps data rate
    Block Diagram -- V-by-One/LVDS Rx IP, Silicon Proven in GF 22FDX
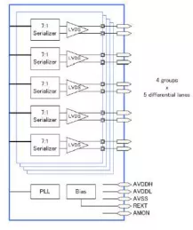
  • V-by-One/LVDS Tx IP, Silicon Proven in GF 22FDX
    • Support data rate: 0.6Gbps~4.0Gbps
    • Utilize per-lane 10bit parallel interface
    Block Diagram -- V-by-One/LVDS Tx IP, Silicon Proven in GF 22FDX
×
Semiconductor IP